管理员
|
中交一公局集团建筑工程有限公司 |
2021-07-08
|
科技镇楼,我们来真的!
“镇楼神器” 发挥大“定力”
今年5月,深圳赛格大厦突发楼体摇晃,引发了关于超高层建筑安全性和稳定性等问题的热议。事后披露的调查情况显示,赛格大厦未安装阻尼器,专家建议,下一步可以考虑安装阻尼器以提高防风防震能力和舒适度。这让阻尼器这个建筑领域当中的专业词汇走进了公众视野。

阻尼器是在大楼发生振动时提供阻尼的设备,可以削减强风下高层晃动,使大楼的振动变弱,帮助超高层建筑保持楼体稳定和安全,所以被大家戏称为“镇楼神器”。但由于安装阻尼器的技术门槛和成本都较高,据统计,全球最高的20座建筑中,只有30%装有阻尼器,我国很多老旧楼层,由于建设时间较早,技术不足,近三分之一建筑中的阻尼器是在楼层建设完成后才加上的。

由公司承建的海南省中医院新院区(含省职业病医院)项目是海南省发改委批准建设的中医特色与国际视野并存的三级甲等中医院,是海南自由贸易港建设的重点民生工程,对海南省医疗卫生事业发展具有重大意义。

作为央企,公司积极承担社会责任,坚持高标准、严要求、质量第一的理念,从前期设计到施工阶段,就建筑物抗震防风问题,项目部严格把控项目的整体设计概算与设计思路,全力做到设计结构最优、设计含量最优。

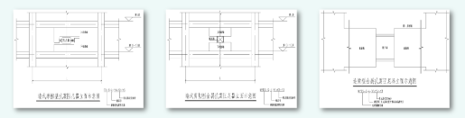
事实上,看似造型简洁的医院大楼,深藏了很多“看不见的功夫”:在新技术应用上,相比于常规的公建类项目,开创性的应用到了《建筑业十项新技术》(2017)中的十大项(共十项),38个子项,部分新技术的采用甚至在公司既往施工经验中尚为空缺,这给公司和项目在施工技术管理和质量管控带来巨大的挑战。受建筑场地内Ⅲ类土土体液化等级严重和高抗震设防烈度以及医疗建筑自身受众使用功能的特殊性,项目依照国家抗震相关规范及海南省相关规定,在结构设计中应用了消能减震设计,采用了基于墙式摩擦型金属抗震阻尼器、墙式剪切型金属抗震阻尼器及连梁型金属抗震阻尼器的消能减震方案,各个单体根据单体特点采用了不同类型的抗震阻尼器,并按照“对称、均匀、分散、周边”的原则,布置在结构的X、Y两个主方向上及结构的主要楼层中。

抗震阻尼器的安装过程中,项目严格控制每一台阻尼器设备的进场检验,装前必须对其所在位置的上下连接墙板施工精度进行严苛的管控与校核,且上墙板必须随同上一楼层梁板一次完成浇筑,部分墙板下挂高度最大超过3m,但垂直度要求却要严格控制在3mm以内,且需确保住院楼的每一层阻尼器“上下同轴同心”。

即便是“看不见的功夫”也有着精细化的技术应用:为精确控制安装精度和提高测量效率,公司自主研发全自动喷绘放线智能机器人,率先在项目阻尼器施工定位中投入使用,对现场阻尼器定位安装及土建连接墙板部分施工进行精确控制;应用广联达BIM5D技术,对阻尼器安装及其土建部分施工实行动态模拟和交底,助力阻尼器高效高质发挥职能。
“我们始终践行初心使命,把央企担当扛在肩上,全力以赴把中医院项目打造成让人安心的民生工程、品质工程。”项目负责人张显楼说。在狂风肆虐、地震偶发的日子中,大楼里的阻尼器给了大家带来了足足的安全感,让大家有了“稳稳的幸福”。(钟立 许鹤)